应用与设计

LTM8045 -12V 负输出转换器

详情介绍

概览

产品详情

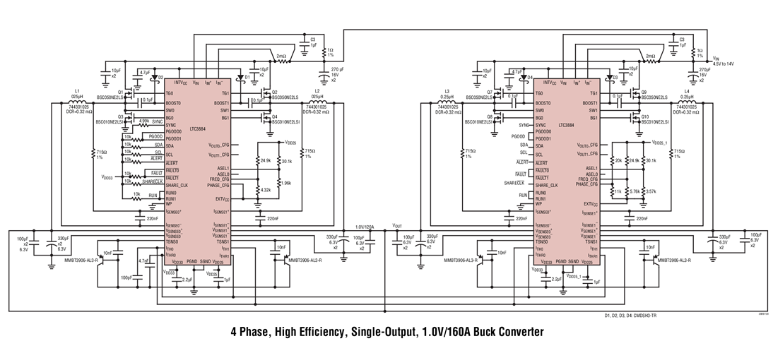
4 Phase, High Efficiency, Single-Output, 1.0V/160A Buck Converter

LTC3884 是一款双输出、多相 DC/DC 同步降压型开关稳压控制器,具有一个符合基于 I2C 的 PMBus 标准的串行接口。该控制器运用了一种恒定频率电流模式架构,具有独特的方案以为 mΩ 以下 DCR 应用提供卓越的性能。LTC3884 得到了具有易用型图形用户界面 (GUI) 的 LTpowerPlayTM 软件开发系统的支持。