登录
|
免费注册
快易购首页
|
技术文库
|
行业动态
|
数据上传
|
创客窝
网站导航
|
联系客服
|
应用与设计
应用与设计
请输入需要搜索的应用
Circuit Collections
LTM4650 降压型 μModule 稳压器的四相、4.5V~15Vin、1.2Vout/100A 输出
Analog
下载资料
详情介绍
数据手册
1
查看全部
概览
产品详情
产品详情
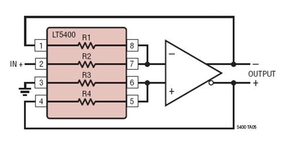
<img src='http://www.analog.com/-/media/analog/en/circuit-collections-images/ltc/474-circuit-1.jpg?la=en&w=435' alt='Precision Single-Ended to Differential Conversion'>
LT5400 是一款四个匹配电阻器的网络,其在整个温度范围内具有卓越的匹配规格指标。所有 4 个电阻器均可单独使用和施加偏置,从而使 LT5400 成为可得益于匹配电阻器的任何应用之方便和通用的选择。这些电阻器网络提供了在高准确度差分放大器、电压基准和桥式电路中所需要的精准比例式稳定性。
相关分类
线性产品
精准电阻器网络
相关产品
LT5400
文档
查看全部 (1)
数据手册 (1)
数据手册
(1)
PDF
253.00K
LT5400: Quad Matched Resistor Network Data Sheet
相关型号
相关型号
制造商
描述
LTM4650
Analog
双通道 25A 或单通道 50A DC/DC μModule 稳压器