登录
|
免费注册
快易购首页
|
技术文库
|
行业动态
|
数据上传
|
创客窝
网站导航
|
联系客服
|
应用与设计
应用与设计
请输入需要搜索的应用
Circuit Collections
采用一个 3.3V 输入的 2F、5V 超级电容器充电器
Analog
下载资料
详情介绍
数据手册
1
查看全部
概览
产品详情
产品详情
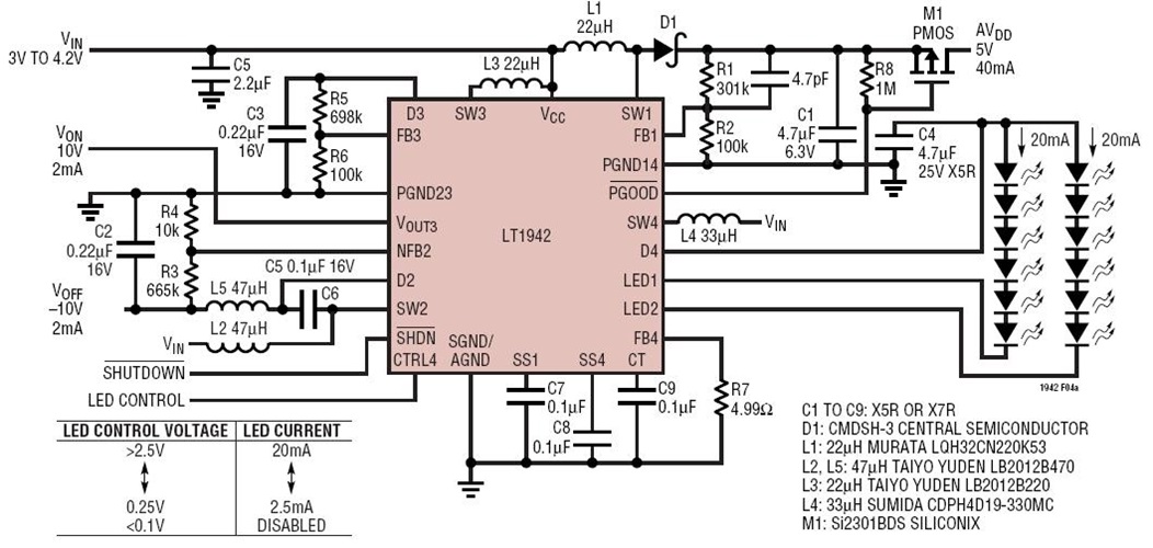
<img src='http://www.analog.com/-/media/analog/en/circuit-collections-images/ltc/133-circuit-1.jpg?la=en&w=435' alt='TFT Bias (5V@40mA, 10V@2mA, -10V@2mA) and White LED Backlight Supply From Single Li-Ion Cell'>
相关分类
电源管理
LCD/CCD/OLED 偏置
相关产品
LT1942
文档
查看全部 (1)
数据手册 (1)
数据手册
(1)
PDF
257.00K
LT1942: Quad DC/DC Converter for Triple Output TFT Supply Plus LED Driver Data Sheet
相关型号
相关型号
制造商
描述
LTC3459
Analog
10V 微功率同步升压型转换器