登录
|
免费注册
快易购首页
|
技术文库
|
行业动态
|
数据上传
|
创客窝
网站导航
|
联系客服
|
应用与设计
应用与设计
请输入需要搜索的应用
Circuit Collections
LTM8033 0.8V/3A 降压型转换器
Analog
下载资料
详情介绍
概览
产品详情
产品详情
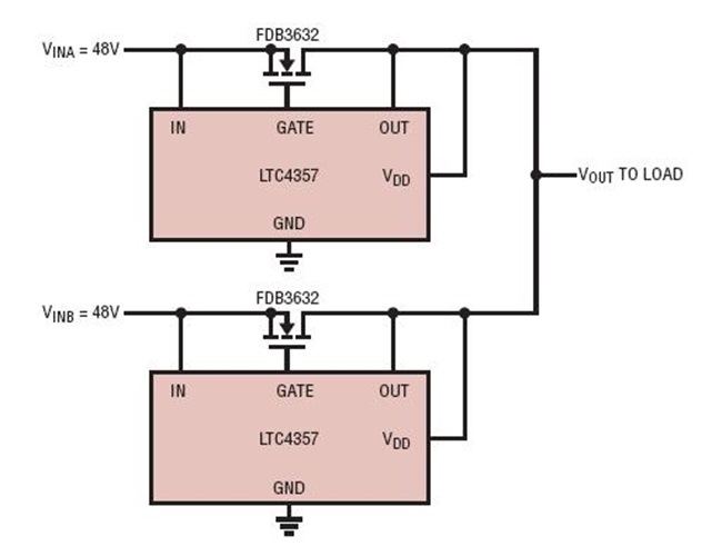
<img src='http://www.analog.com/-/media/analog/en/circuit-collections-images/ltc/500-circuit-1.jpg?la=en&w=435' alt='Two Load-Sharing, Redundant, 48V/10A Power Supplies Using an Ideal Diode'>
本电路示出了一种 48V/10A 理想二极管 “或” 应用。一个 MBR10100 肖特基二极管在这些工作条件下将消耗 6W 功率。相比之下,FDB3632 7.5mΩ MOSFET 的功耗则仅为 0.75W。功耗的降低可提高效率并节省散热所需的空间。如果电源电压接近相等,则负载电流将在两个电源之间均分。否则,将由具有最高输出电压的电源提供负载电流。
相关分类
电源监视器,控制器和保护
理想二极管电桥
相关产品
LTC4357
参考资料
查看全部 (1)
LT Journal (1)
LT Journal
(1)
Mar 2008 - 9V to 80V Ideal Diode Reduces Heat Dissipation by Order of...
相关型号
相关型号
制造商
描述
LTM8033
Analog
超低噪声、符合 EMC 规格的 36VIN、3A DC/DC μModule 稳压器