登录
|
免费注册
快易购首页
|
技术文库
|
行业动态
|
数据上传
|
创客窝
网站导航
|
联系客服
|
应用与设计
应用与设计
请输入需要搜索的应用
Circuit Collections
精准型 nA 级双向电流检测
Analog
下载资料
详情介绍
数据手册
1
查看全部
概览
产品详情
产品详情
<img src='http://www.analog.com/-/media/analog/en/circuit-collections-images/ltc/380-circuit-1.jpg?la=en&w=435' alt='Two Terminal 3A Current Source'>
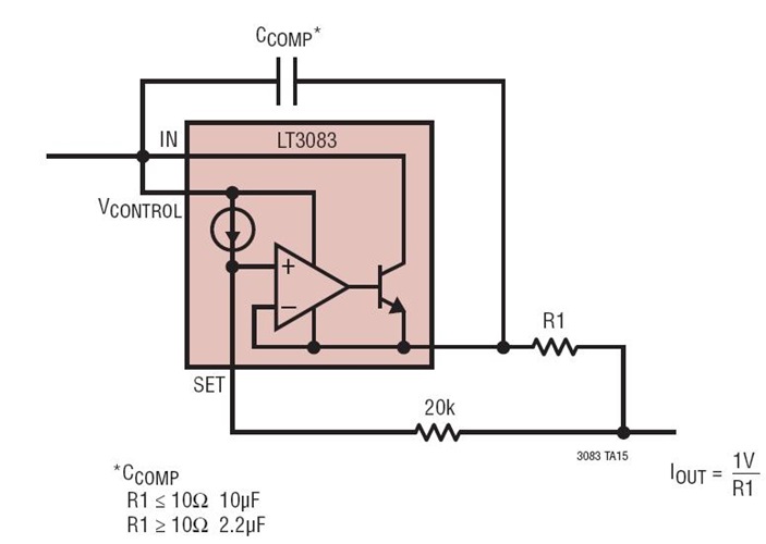
LT3083 是一款 3A 低压差线性稳压器,可以通过并联来增加输出电流或在表面贴装型电路板上散播热量。这款新型稳压器专为用作一个精准电流源和电压跟随器而设计,可在许多要求大高电流、至零的可调节能力和不设置散热器的应用中使用。另外,该器件还将传输晶体管的集电极引出,以在与多个电源一起使用时实现低压差 (低至 310mV) 运作。
相关分类
电源管理
电流源
相关产品
LT3083
文档
查看全部 (1)
数据手册 (1)
数据手册
(1)
PDF
406.00K
LT3083: Adjustable 3A Single Resistor Low Dropout Regulator Data Sheet
相关型号
相关型号
制造商
描述
LTC6082
Analog
精准四通道 CMOS 轨至轨输入 / 输出放大器