登录
|
免费注册
快易购首页
|
技术文库
|
行业动态
|
数据上传
|
创客窝
网站导航
|
联系客服
|
应用与设计
应用与设计
请输入需要搜索的应用
Circuit Collections
光电二极管放大器
Analog
下载资料
详情介绍
概览
产品详情
产品详情
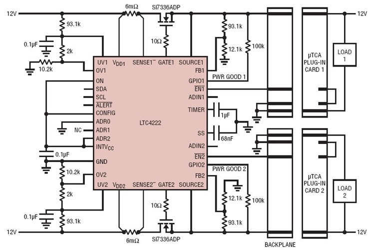
<img src='http://www.analog.com/-/media/analog/en/circuit-collections-images/ltc/180-circuit-1.jpg?la=en&w=435' alt='μTCA Application Supplying 12V Payload Power to Two μTCA Slots'>
LTC4222 热插拔 (Hot Swap
TM
) 控制器允许在带电背板上安全地进行两条电源通路的插拔操作。利用外部 N 沟道传输晶体管,能够使电路板电源电压和浪涌电流以一种可调速率斜坡上升。一个 I
2
C 接口和板上 ADC 允许监视每个通道的电流、电压和故障状态。
相关分类
电源监视器,控制器和保护
低电压热插拔控制器
相关产品
LTC4222
参考资料
查看全部 (1)
LT Journal (1)
LT Journal
(1)
Jan 2009 -Dual Hot Swap Controller Brings Digital Monitoring to AdvancedTCA,...
相关型号
相关型号
制造商
描述
LT1001
Analog
高精度运算放大器