产品详情
 
          
          
           
           
 
           
            
           
          
          
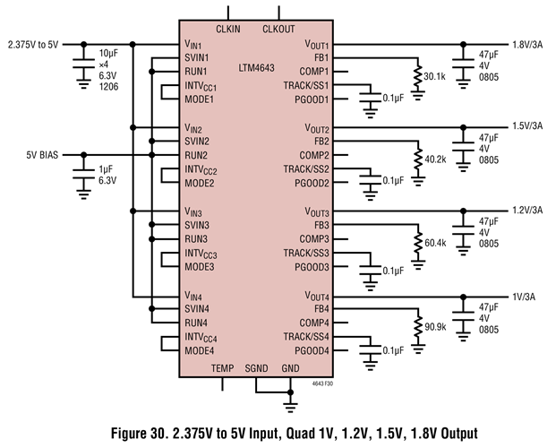
         LTM4643 是一款每路输出可提供 3A 电流的四通道 DC/DC 降压型μModule (电源模块) 稳压器。输出可通过并联形成一个阵列以提供高达 12A 的电流能力。封装中内置了开关控制器、功率 FET、电感器和支持组件。LTM4643 可在一个 4V 至 20V 或 2.375V 至 20V (采用一个外部偏置电源) 的输入电压范围内运作,支持一个 0.6V 至 3.3V (各由单个外部电阻器来设定) 的输出电压范围。该器件的高效率设计使每个通道能够提供 3A 的连续输出电流。仅需大容量的输入和输出电容器。