应用与设计

采用 5V USB 输入 (500mA 最大值) 的 USB-GSM 应用电路可对一个 4.4mF 超级电容器进行充电 (3.4V/800mA) 并提供 1.8V/400mA 输出电压

详情介绍

概览

产品详情

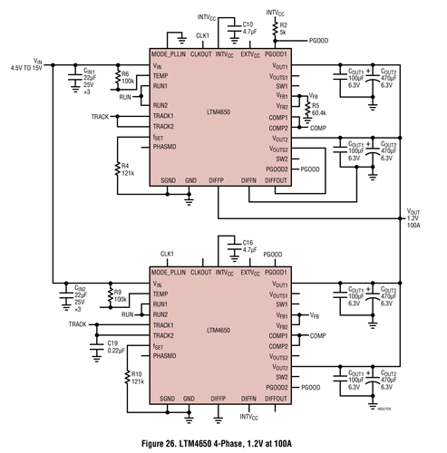
Figure 26. LTM4650 4-Phase, 1.2V at 100A

LTM4650 是一款双通道 25A 或单通道 50A 输出开关模式降压型 DC/DC μModule® (电源模块) 稳压器。封装中内置了开关控制器、功率 FET、电感器和所有的支持组件。LTM4650 可在一个 4.5V 至 15V 的输入电压范围内运作,支持两个输出电压范围均为 0.6V 至 1.8V (各由单个外部电阻器来设定) 的输出。该器件的高效率设计能够为每个输出提供 25A 的连续电流。仅需少量的输入和输出电容器。LTM4650 的引脚与 LTM4620 (双通道 13A,单通道 26A) 及 LTM4630 (双通道 18A,单通道 36A) 相兼容。


相关分类

相关产品