LTC6102 简单的 500V 电流监控器
详情介绍
概览
产品详情
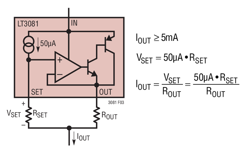
LT®3081 是一款1.5A 低压差线性稳压器,专为坚固型工业应用而设计。该 IC 的主要特点是扩展的安全工作区 (SOA)、输出电流监视器、温度监视器和可编程电流限值。LT3081 可通过并联以提供较高的输出电流或散热量。这款器件能承受反向输入和反向输出至输入电压,并且没有反向电流。LT3081精准的 50μA 基准电流源允许利用单个电阻器将输出电压设置在介于 0V 至 34.5V 之间的任意电平。电流基准架构使得负载调整不受输出电压的影响。LT3081 可在采用或不采用输入和输出电容器的情况下实现稳定。输出电流监视器 (IOUT / 5000) 和芯片结温输出 (1μA/°C) 提供了系统监视和调试能力。此外,还可利用单个电阻器来设置电流限值。
 
 
          Using the LT3081 as a Current Source



