登录
|
免费注册
快易购首页
|
技术文库
|
行业动态
|
数据上传
|
创客窝
网站导航
|
联系客服
|
应用与设计
应用与设计
请输入需要搜索的应用
Circuit Collections
LTM8040 降压 350mA 驱动三串联红色 LED
Analog
下载资料
详情介绍
概览
产品详情
产品详情
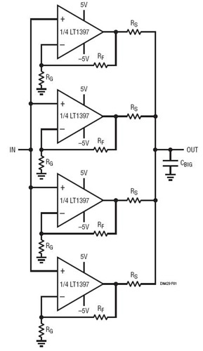
<img src='http://www.analog.com/-/media/analog/en/circuit-collections-images/ltc/562-circuit-1.jpg?la=en&w=435' alt='Using All four Amplifiers of the LT1397 to Drive Large zCapacitive Loads'>
4 个并联放大器可提升负载电容器电流驱动能力。在每个输出端上布设一个小的镇流电阻器能隔离每个放大器不同输出失调的影响。
相关分类
放大器
相关产品
LT1397
参考资料
查看全部 (1)
Design Notes (1)
Design Notes
(1)
DN429 - 纤巧型放大器可快速驱动重电容性负载
相关型号
相关型号
制造商
描述
LTM8040
Analog
36V、1A μModule LED 驱动器和电流源