应用与设计

LTM4639 3.3Vin、1.5Vout、20A DC/DC μModule 稳压器

详情介绍

概览

产品详情

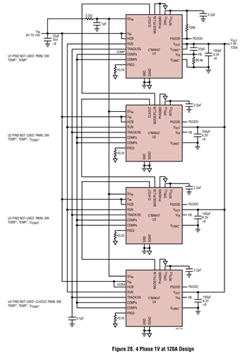
Figure 28. 4 Phase 1V at 120A Design

LTM4647 是一款完整的 30A 输出开关模式降压型 DC/DC μModule (电源模块) 稳压器。封装中内置了开关控制器、功率 FET、电感器和所有的支持组件。LTM4647 可在一个 4.7V 至 15V 的输入电压范围内运作,支持一个 0.6V 至 1.8V 的输出电压范围 (由单个外部电阻器来设定)。仅需要少量的输入和输出电容器。 


相关分类

相关产品