单电源视频线路驱动器
详情介绍
概览
产品详情
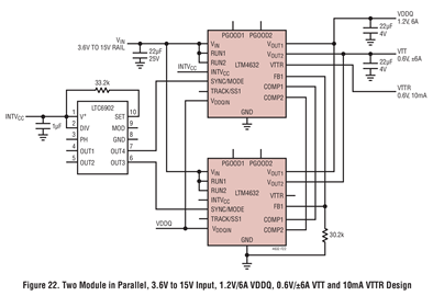
LTM4632 是一款超薄的三路输出降压型 μModule (电源模块) 稳压器,可提供用于 DDR-QDR4 SRAM 的完整电源解决方案。LTM4632 可在一个 3.6V 至 15V 的输入电压范围内运作,支持两个用于 VDDQ 和 VTT 的 ±3A 输出电源轨 (两者均可吸收和提供电流) 和一个 10mA 低噪声基准 VTTR 输出。VTT 和 VTTR 皆跟踪并等于 VDDQ/2。LTM4632 采用 6.25mm x 6.25mm x 1.82mm LGA 封装,其内置了开关稳压器、功率 FET、电感器和支持组件。或者,该电源模块也可配置为一个两相单路 ±6A 输出 VTT。仅需少量的陶瓷输入和输出电容器即可构成完整的设计。


