应用与设计

LTM8033 8V/3A 降压型转换器

详情介绍

概览

产品详情

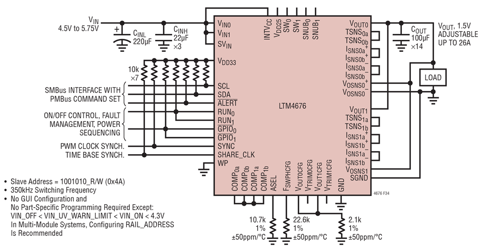
26A, 1.5V Output DC/DC uModu|e Regulator with I2C/SMBus/PMBus Serial Interface

LTM4676 是一款双通道 13A 或单通道 26A 降压型 μModule (微型模块) DC/DC 稳压器,其具有通过 PMBus (一种基于 I2C 的开放标准数字接口协议) 实现的远程可配置性及电源管理参数的遥测监控功能。LTM4676 包括快速模拟控制环路、高精度混合信号电路、EEPROM、功率 MOSFET、电感器和支持组件。