登录
|
免费注册
快易购首页
|
技术文库
|
行业动态
|
数据上传
|
创客窝
网站导航
|
联系客服
|
应用与设计
应用与设计
请输入需要搜索的应用
Circuit Collections
LTM4611 1.2V、60A、电流均分和四相工作
Analog
下载资料
详情介绍
概览
产品详情
产品详情
<img src='http://www.analog.com/-/media/analog/en/circuit-collections-images/ltc/563-circuit-1.jpg?la=en&w=435' alt='Ultraprecise Current Sensing with LTC6102'>
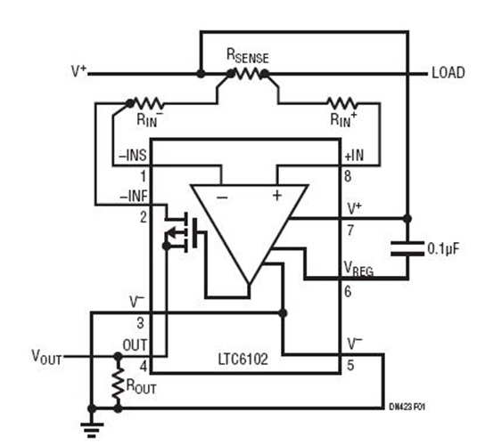
非常低的输入失调允许使用低值电阻器,同时保持高的测量分辨率。采用低阻值还可降低功率损耗和温升。
相关分类
放大器
电流检测放大器
相关产品
LTC6102
参考资料
查看全部 (1)
Design Notes (1)
Design Notes
(1)
DN423 - 超精准电流检测放大器大幅度地提升了效率并扩展了动态范围
相关型号
相关型号
制造商
描述
LTM4611
Analog
超低 VIN、15A DC/DC µModule 稳压器