应用与设计

LTM8052 从 36Vin 以 5.6A 给两节 2.5V 串联超级电容器充电

详情介绍

概览

产品详情

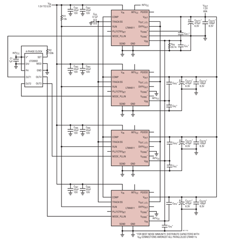
1.2V, 60A, Current Sharing with 4-Phase Operation

LTM4611 是一款高密度 15A 输出、开关模式 DC/DC 降压型转换器电源,可以从非常低电压输入电源来运作。封装之中内置了降压型开关控制器、功率 FET、电感器和环路补偿元件。LTM4611 能够从一个 1.5VIN 至高达 5.5VIN 的输入高效地提供高达 15A 的连续电流。输出电压由一个电阻器设定于 0.8V 至 5V 之间。仅需采用少量的输入和输出电容器。


相关分类

相关产品