应用与设计

LTM4622 超薄型 μModule 稳压器的 4V~20Vin、1V 和 1.8Vout/2.5A 设计

详情介绍

概览

产品详情

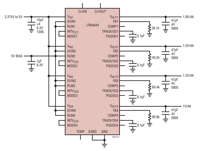
2.375V to 5V Input, Quad 1V, 1.2V, 1.5V, 1.8V Output

LTM4644 是一款每路输出可提供 4A 电流的四通道 DC/DC 降压型 μModule (微型模块) 稳压器。输出可通过并联形成一个阵列以提供高达 16A 的电流能力。封装中内置了开关控制器、功率 FET、电感器和支持组件。LTM4644 可在一个 4V 至 14V 或 2.375V 至 14V (采用一个外部偏置电源) 的输入电压范围内运作,支持一个 0.6V 至 5.5V (各由单个外部电阻器来设定) 的输出电压范围。该器件的高效率设计使每个通道能够提供 4A 连续 (5A 峰值) 输出电流。仅需大容量的输入和输出电容器。


相关分类

相关产品