应用与设计

具锂离子后备电池且运行门限被设定为最小电池电压的太阳能供电型 2.2V 电源和 1.8V LDO

详情介绍

概览

产品详情

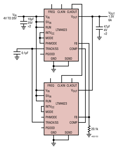
4VIN to 20VIN, Two Phases, 1.5V at 6A Design

LTM4623 是一款完整的 3A 降压型开关模式μModule (微型模块) 稳压器,其采用纤巧型 6.25mm x 6.25mm x 1.82mm LGA 封装。封装中内置了开关控制器、功率 FET、电感器和支持元件。LTM4623 可在一个 4V 至 20V 或 2.375V 至 20V (采用一个外部偏置电源) 的输入电压范围内运作,支持一个 0.6V 至 5.5V (由单个外部电阻器来设定) 的输出电压范围。该器件的高效率设计能够提供高达 3A 的连续输出电流。仅需陶瓷输入和输出电容器。 


相关分类

相关产品