应用与设计

针对过压和过流的保护

详情介绍

概览

产品详情

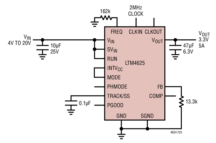
4VIN to 20VIN, 3.3V Output with 2MHz External Clock

LTM4625 是一款完整的 5A 降压型开关模式 μModule (微型模块) 稳压器,其采用纤巧型 6.25mm x 6.25mm x 5.01mm BGA 封装。封装中内置了开关控制器、功率 FET、电感器和支持元件。LTM4625 可在一个 4V 至 20V 或 2.375V 至 20V (采用一个外部偏置电源) 的输入电压范围内运作,支持一个 0.6V 至 5.5V (由单个外部电阻器来设定) 的输出电压范围。该器件的高效率设计能够提供高达 5A 的连续输出电流。仅需大容量的输入和输出电容器。 


相关分类

相关产品