登录
|
免费注册
快易购首页
|
技术文库
|
行业动态
|
数据上传
|
创客窝
网站导航
|
联系客服
|
应用与设计
应用与设计
请输入需要搜索的应用
Circuit Collections
LTM8057 2kV AC 隔离型 5V μModule 稳压器
Analog
下载资料
详情介绍
数据手册
1
查看全部
概览
产品详情
产品详情
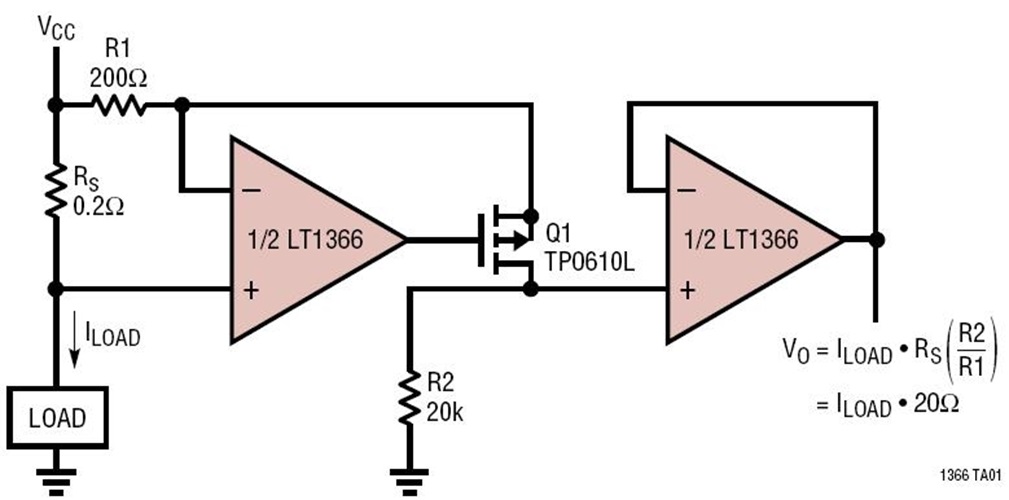
<img src='http://www.analog.com/-/media/analog/en/circuit-collections-images/ltc/238-circuit-1.jpg?la=en&w=435' alt='Positive Supply Rail Current Sense With Over-the-Top Op Amp'>
这是一种与采用通用组件和 LT6100 实现的一种相似配置。需要一种轨至轨或 Over-the-Top 输入运算放大器 (对于第一部分)。第一部分是传统高端的一种变化,由 P-MOSFET 向 R2 输送一个准确的输出电流 (而传统方案是采用一个 BJT [双极结型晶体管])。第二部分是一个缓冲器,用于提供对 ADC 端口等的驱动,而且在需要的情况下可利用增益进行配置。如图所示,该电路可使用高达 36V 的工作电压。在单电源操作中,小信号范围受限于 VOL。
相关分类
放大器
精密放大器 (Vos<1mV且TCVos<2uV/C)
相关产品
LT1366
文档
查看全部 (1)
数据手册 (1)
数据手册
(1)
PDF
387.00K
LT1366/LT1367/LT1368/LT1369: Dual and Quad Precision Rail-to-Rail Input and Output Op Amps Data Sheet
相关型号
相关型号
制造商
描述
LTM8057
Analog
3.1VIN 至 31VIN 隔离式 μModule DC/DC 转换器