应用与设计

LTM4620 两相、1.5V/26A 设计具温度检测功能

详情介绍

概览

产品详情

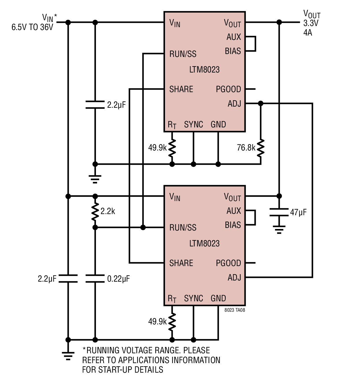
Two LTM8023’s in Parallel, 3.3V at 4A

LTM8023 是一款完整的 2A、DC/DC 降压型电源。封装中包括了开关控制器、功率开关、电感器以及所有的支持元件。LTM8023 可在 3.6V 至 36V 的输入电压范围内运作,支持 0.8V 至 10V 的输出电压范围和 200kHz 至 2.4MHz 的开关频率范围 (均由单个电阻器来设定)。仅需采用大容量的输入和输出滤波电容器便可实现完整的设计。