登录
|
免费注册
快易购首页
|
技术文库
|
行业动态
|
数据上传
|
创客窝
网站导航
|
联系客服
|
应用与设计
应用与设计
请输入需要搜索的应用
Circuit Collections
热敏电阻液体流量计
Analog
下载资料
详情介绍
数据手册
1
查看全部
概览
产品详情
产品详情
<img src='http://www.analog.com/-/media/analog/en/circuit-collections-images/ltc/307-circuit-1.jpg?la=en&w=435' alt='Pseudodifferential Multichannel Bridge Digitizer and Digital Cold Junction Compensation'>
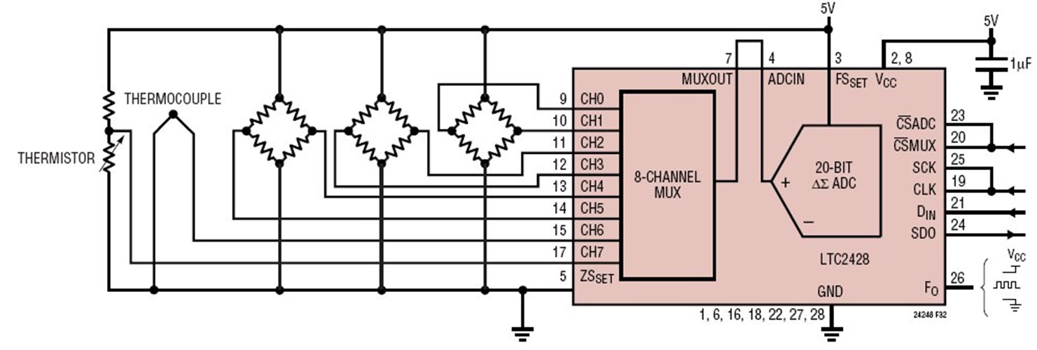
本电路可实现几种桥式传感器的伪差分测量以及绝对温度测量。通过选择 LTC2428 上的合适通道,可在电桥的每一侧执行连续读取操作。对每个输出实施数字转换并对结果进行数字式减法运算,以获得伪差分结果。可以采用这种方法对几种桥式传感器进行数字转换。为了利用一个热电偶来测量绝对温度,必须执行冷结点补偿。通道 6 用于测量热电偶的输出,而通道 7 负责测量冷结点传感器 (二极管、热敏电阻等) 的输出。这实现了热电偶输出的数字冷结点补偿。于是,温度测量可用来补偿桥式传感器的温度影响。
相关分类
模数转换器
精密ADC (≤ 10MSPS)
相关产品
ltc2428
文档
查看全部 (1)
数据手册 (1)
数据手册
(1)
PDF
420.00K
LTC2424/LTC2428: 4-/8-Channel 20-Bit µPower No Latency Delta-Sigma ADC Data Sheet
相关型号
相关型号
制造商
描述
LT1014
Analog
四通道精准运算放大器