饱和型标准电池放大器
详情介绍
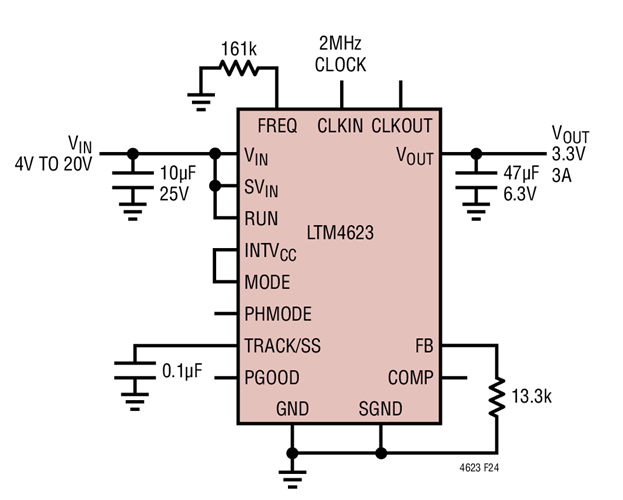
工具及仿真模型
LTpowerCAD
LTpowerCAD® is a power supply design program which selects power stage components, provides detailed power efficiency, shows quick loop Bode plot stability and load transient analysis, and can export to LTspice for simulation.
To open the project file for this circuit:
Step 1: Download and install LTpowerCAD on your computer.
Step 2: Click on the link(s) in the section below to download part-specific project files.
Step 3: If the project file doesn't run, right-click the link and select "Save Target As." Then start the LTpowerCAD tool and open the project file by selecing "Open Project" from the "File" menu.


