应用与设计

LTM8020 1.8V 200mA µModule 降压型转换器

详情介绍

概览

产品详情

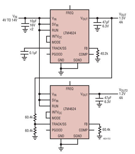
4V to 14VIN, 1.2V and 1.5V with Coincident Tracking

LTM®4624是一款完整的 4A 降压型开关模式μModule® (微型模块) 稳压器,其采用6.25mm x 6.25mm x 5.01mm BGA 封装。封装中内置了开关控制器、功率 FET、电感器和支持组件。LTM4624 可在一个 4V 至 14V 或 2.375V 至 14V (采用一个外部偏置电源) 的输入电压范围内运作,支持一个 0.6V 至 5.5V (由单个外部电阻器来设定) 的输出电压范围。该器件的高效率设计能够提供 4A 连续、5A 峰值输出电流。仅需大容量的输入和输出电容器。

相关分类

相关产品