登录
|
免费注册
快易购首页
|
技术文库
|
行业动态
|
数据上传
|
创客窝
网站导航
|
联系客服
|
应用与设计
应用与设计
请输入需要搜索的应用
Circuit Collections
LTM8020 5V 200mA µModule 降压型转换器 (无需输出电容)
Analog
下载资料
详情介绍
概览
产品详情
产品详情
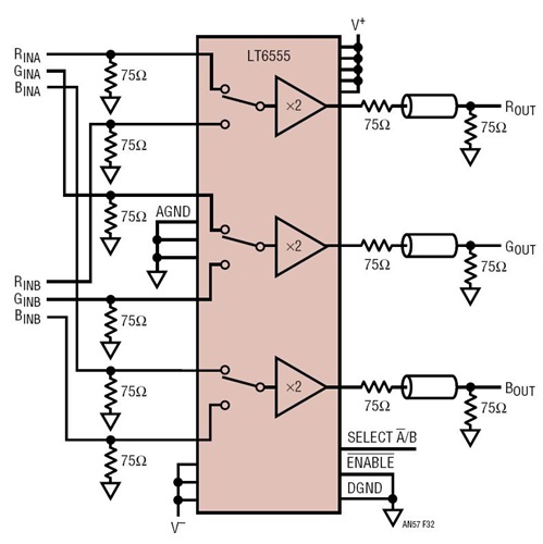
<img src='http://www.analog.com/-/media/analog/en/circuit-collections-images/ltc/164-circuit-1.jpg?la=en&w=435' alt='Three Channel Integrated Multiplexer and Line Driver'>
相关分类
音频和视频产品
视频放大器和模拟视频相关产品
放大器
视频放大器和模拟视频相关产品
相关产品
LT6555
文档
查看全部 (1)
应用笔记 (1)
应用笔记
(1)
PDF
545.00K
AN57 - Video Circuit Collection
相关型号
相关型号
制造商
描述
LTM8020
Analog
200mA、36V DC/DC μModule 稳压器