产品详情
 
          
          
           
           
 
           
            
           
          
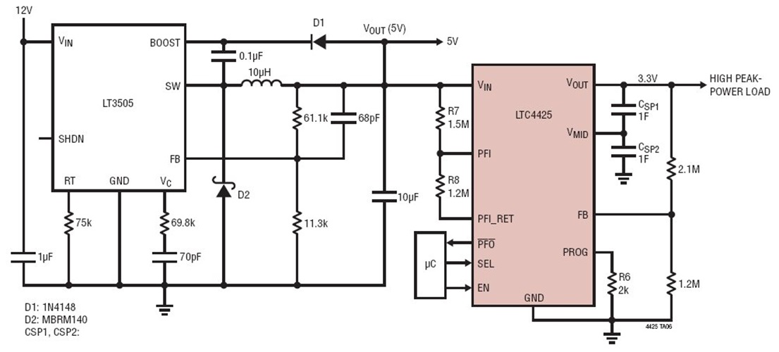
          LTC4425 是一款恒定电流 / 恒定电压线性充电器,专为从一个锂离子 / 锂聚合物电池、一个 USB 端口或一个 2.7V 至 5.5V 电流限制电源对一个两节超级电容器电池组进行充电而设计。该器件起一个理想二极管的作用,并具有一个极低的 50mΩ 接通电阻,从而使其成为高峰值功率 / 低平均功率应用的合适之选。LTC4425 能够以一个恒定充电电流将输出电容器充电至一个外部设置的输出电压 (在 LDO 模式),或者运用一种智能充电电流模式将输出电容器充电至 VIN (在标准模式) 以限制浪涌电流,直到 V 
         
IN 至 V 
         
OUT 之差少于 250mV 为止。此外,也可把 LTC4425 设定以将输出电压箝位于 4.9V 或 5.4V。