登录
|
免费注册
快易购首页
|
技术文库
|
行业动态
|
数据上传
|
创客窝
网站导航
|
联系客服
|
应用与设计
应用与设计
请输入需要搜索的应用
Circuit Collections
低噪声、低功率光电二极管放大器
Analog
下载资料
详情介绍
概览
产品详情
产品详情
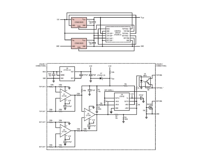
<img src='http://www.analog.com/-/media/analog/en/circuit-collections-images/ltc/86-circuit-1.jpg?la=en&w=435' alt='Dual Super Cap Charging Circuit from 12V with Balance Voltage Charging Control Circuit '>
LT3663 是一款具输出电流限值的 1.2A 降压型开关稳压器。由于该器件提供了可调的输出电压和可调的充电电流限值,因此非常适合用作超级电容器充电器。
相关分类
电源管理
内部开关电源降压
相关产品
LT3663
LTC6702
LT1761
LT1784
参考资料
查看全部 (1)
LT Journal (1)
LT Journal
(1)
June 2009 - Supercapacitor Charger with Adjustable Output Voltage and...
相关型号
相关型号
制造商
描述
LT6202
Analog
轨至轨输入和输出、1.9nV/√Hz 超低噪声、低功率、100MHz 单路运算放大器