登录
|
免费注册
快易购首页
|
技术文库
|
行业动态
|
数据上传
|
创客窝
网站导航
|
联系客服
|
应用与设计
应用与设计
请输入需要搜索的应用
Circuit Collections
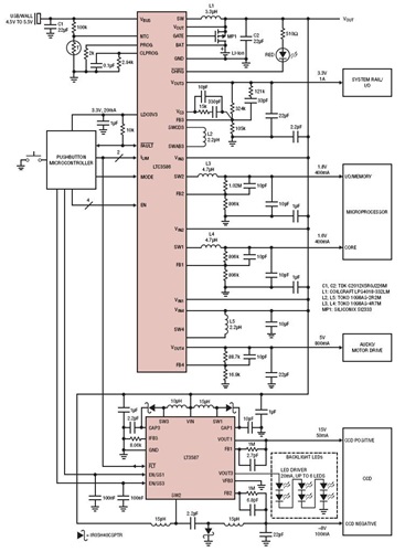
锂离子电池至两个白光 LED 和 OLED / LCD 偏置电源
Analog
下载资料
详情介绍
概览
产品详情
产品详情
<img src='http://www.analog.com/-/media/analog/en/circuit-collections-images/ltc/137-circuit-1.jpg?la=en&w=435' alt='Complete Power Solution For Portable Cameras'>
相关分类
电源管理
LCD/CCD/OLED 偏置
相关产品
LT3587
参考资料
查看全部 (1)
LT Journal (1)
LT Journal
(1)
September 2008 - Complete Power Solution for Digital Cameras and Other...
相关型号
相关型号
制造商
描述
LT3498
Analog
采用 3mm x 2mm DFN 封装、具集成肖特基二极管的 20mA LED 驱动器和 OLED 驱动器