产品详情
 
          
          
           
           
 
           
            
           
          
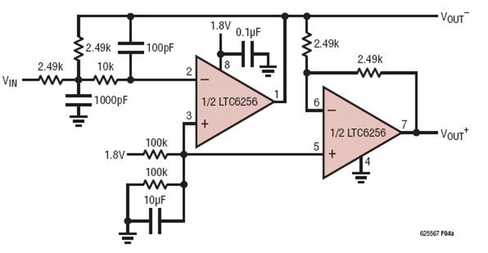
          这里给出的 LTC6256 电路是一款二阶、100kHz、Butterworth 低通滤波器。在非常低电压操作中,该滤波器的差分输出最大限度地拓宽了动态范围。 LTC6255/LTC6256/LTC6257 是单通道/双通道/四通道运算放大器,具有低噪声、低功率、低电源电压、轨至轨输入/输出。这些器件可在采用高达 100nF 的容性负载时提供稳定的单位增益。它们拥有 6.5MHz 的增益带宽乘积、1.8V/μs 的转换速率,而且在采用 1.8V 至 5.25V 电源电压运作时,每个放大器仅消耗 65μA 的电源电流。