产品详情
 
          
          
           
           
 
           
            
           
          
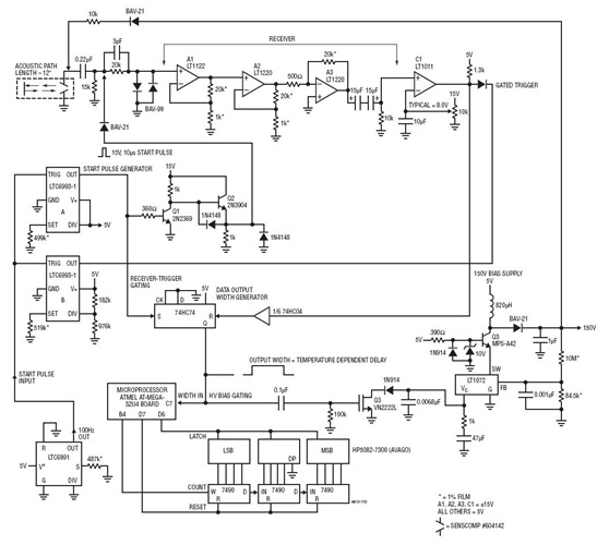
          起动时钟将声脉冲发射至测量通路中,把宽度解码触发器设定为高电平。声波路径回送脉冲、由接收器进行放大、使触发器跳变、并使触发器复位。代表路径的温度相关转接时间的总 “Q” 宽度输出由微处理器转换为温度读数。对高电压电源和触发器进行选通可防止产生寄生输出。起动脉冲发生器由 100Hz 时钟、单稳多谐振荡器和 Q1-Q2 驱动器级所组成。A≈20,000 的接收器放大器在这三个级之间分割增益,并给触发器比较器施加偏置。触发器输出宽度馈至微处理器,由后者负责计算并显示温度。容性耦合用于隔离高电压 DC 换能器偏压,二极管箝位负责防止发生破坏性的过载。开关稳压器通过射地-基地放大器来控制高电压。选通可减轻源自开关稳压器噪声的干扰,并最大限度地抑制外部声波损坏。