登录
|
免费注册
快易购首页
|
技术文库
|
行业动态
|
数据上传
|
创客窝
网站导航
|
联系客服
|
应用与设计
应用与设计
请输入需要搜索的应用
Circuit Collections
用能量触发的电路断路器在一个以某种函数关系随感测负载电流而变化的时间间隔之后发生跳变
Analog
下载资料
详情介绍
数据手册
EN
1
查看全部
概览
产品详情
产品详情
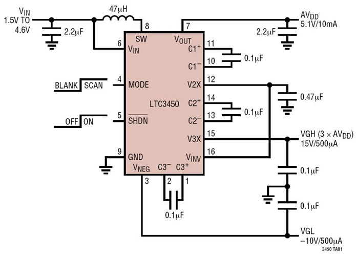
<img src='http://www.analog.com/-/media/analog/en/circuit-collections-images/ltc/119-circuit-1.jpg?la=en&w=435' alt='5.1V, –10V, 15V Triple Output TFT-LCD Supply'>
相关分类
电源管理
LCD/CCD/OLED 偏置
相关产品
LTC3450
文档
查看全部 (1)
数据手册 (1)
数据手册
(1)
PDF
1.00M
LTC3450: 用于小型 TFT-LCD 显示器的三输出电源 数据手册
相关型号
相关型号
制造商
描述
LT6108
Analog
具基准和比较器的高端电流检测放大器
LTC6994
Analog
TimerBlox:延迟模块 / 防反跳器
LT1783
Analog
采用 SOT-23 封装的 1.25MHz、Over-The-Top 微功率、轨至轨输入和输出运算放大器