应用与设计

DDR 存储器电源:3.6V 至 15VIN,VTT 从 VDDQ 供电

详情介绍

概览

产品详情

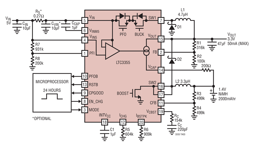
NiMH Trickle Charger and Ride-Through Backup Supply

LTC3355 是一款完整的输入电源中断凌驾 DC/DC 系统。该器件可在向 VOUT 输送负载电流的同时给一个超级电容器充电,并在 VIN 电源缺失的情况下使用来自超级电容器的能量以提供连续的 VOUT 后备电源。LTC3355 包含一个异步、恒定频率、电流模式、单片 1A 降压型开关稳压器,以采用一个高达 20V 的输入电源来提供 2.7V 至 5V 的稳定输出电压。