应用与设计

连续测试序列发生器

详情介绍

概览

产品详情

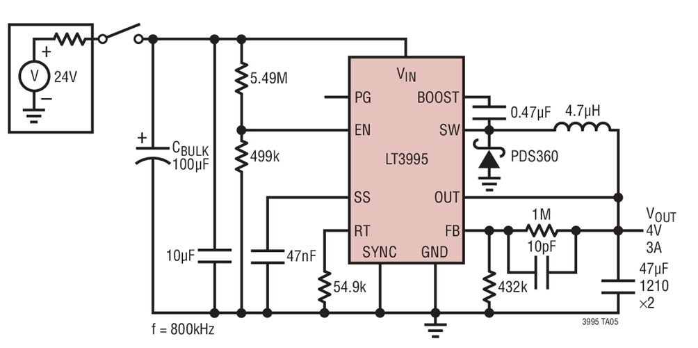
LT3995 4V Step-Down Convener with a High Impedance Input Source

LT3995 是一款可调频率、单片式、降压型开关稳压器,可接受一个高达60V 的宽输入电压范围。低静态电流设计在无负载稳压时仅消耗 2.7μA 的电源电流。低纹波突发模式操作可在低输出电流条件下维持高效率,同时在典型应用中保持输出纹波低于 15mV。LT3995 能提供高达 3A 的负载电流,并具有用于限制短路期间功率耗散的电流限值折返功能。当输入电压降至编程输出电压以下时 (例如:汽车冷车发动期间),可保持一个 500mV 的低压差电压。