应用与设计

具 DCR 检测功能的高效率、两相、1.2V、40A 电源,fsw = 250kHz

详情介绍

概览

产品详情

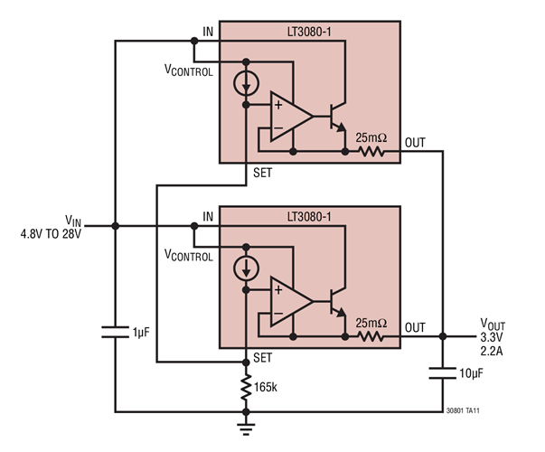
Paralleling Regulators

LT3080-1 是一款 1.1A 低压差线性稳压器,它包含一个内部镇流电阻,以在无需 PC 板走线电阻器的情况下实现器件的直接并联。内部镇流电阻器允许在表面安装型电路板上直接并联多个器件,以提供较高输出电流和散热量,同时使电路板布局简单而容易。该器件将传输晶体管的集电极引出,以在和多个输入电源一起使用时实现低压差(低至 350mV) 运作。