应用与设计

用于音乐合成器的指数电压-频率转换器

详情介绍

概览

产品详情

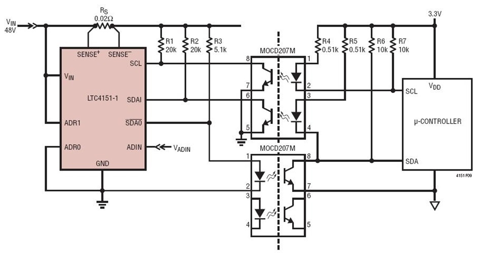
48V Power Monitor With Opto-Isolated Serial Interface

LTC4151 是一款高端电源监视器,具有一个 7V 至 80V 的宽工作电压范围。在默认的操作模式中,内置 12 位 ADC 连续地测量高端电流、输入电压和一个外部电压。当由一个主机进行轮询时,数据将通过 I 2C 接口来报告。LTC4151 还能够以一种“快照”模式来执行按需的测量。LTC4151 具有一个专用的停机引脚以降低功耗。LTC4151-1 / LTC4151-2 具有分离的 I 2C 数据引脚以驱动光隔离器。在 LTC4151-1 的数据输出是反转的,而数据在 LTC4151-2 则不反转。