登录
|
免费注册
快易购首页
|
技术文库
|
行业动态
|
数据上传
|
创客窝
网站导航
|
联系客服
|
应用与设计
应用与设计
请输入需要搜索的应用
Circuit Collections
具 DC 伺服的低噪声水听器放大器
Analog
下载资料
详情介绍
概览
产品详情
产品详情
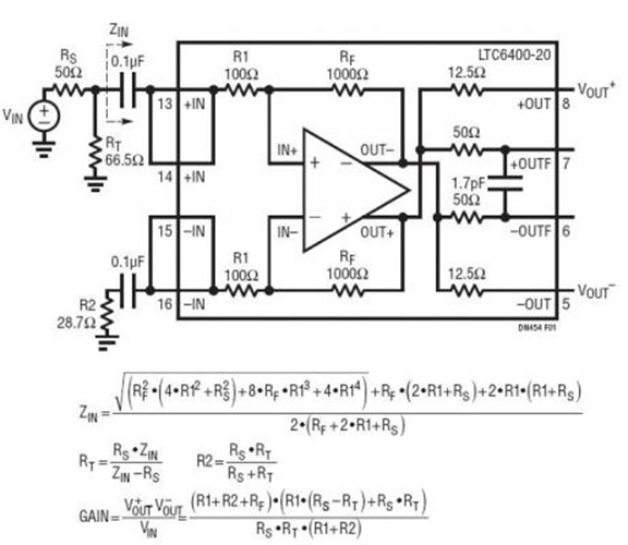
<img src='http://www.analog.com/-/media/analog/en/circuit-collections-images/ltc/606-circuit-1.jpg?la=en&w=435' alt='Impedance Matching for a Differential Amplifier with Fixed Gain Integrated Resistors'>
配有计算公式的单端至 50Ω 输入差分放大器实例。采用 AC 耦合时阻抗匹配是仅有的问题。另外,AC 耦合还可实现自动的输入至输出共模电平移位。
相关产品
LTC6400-20
参考资料
查看全部 (1)
Design Notes (1)
Design Notes
(1)
DN454 - Single-Ended to Differential Amplifier Design Tips
相关型号
相关型号
制造商
描述
LT1792
Analog
低噪声、高精度、JFET 输入运算放大器
LT1464
Analog
双通道微功率、1 MHz C-Load 微微安偏置电流 JFET 输入运算放大器