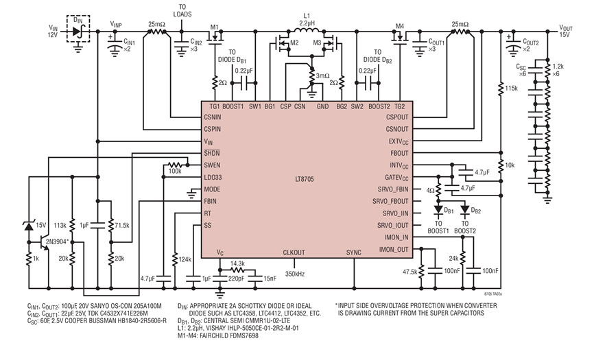
用于数据备份的超级电容器能量存储系统
详情介绍
概览
工具及仿真模型
LTspice
LTspice® is a powerful, fast and free simulation software, schematic capture and waveform viewer with enhancements and models for improving the simulation of analog circuits.
To launch ready-to-run LTspice demonstration circuits for this part:
Step 1: Download and install LTspice on your computer.
Step 2: Click on the link in the section below to download a demonstration circuit.
Step 3: If LTspice does not automatically open after clicking the link below, you can instead run the simulation by right clicking on the link and selecting “Save Target As.” After saving the file to your computer, start LTspice and open the demonstration circuit by selecting ‘Open’ from the ‘File’ menu.






