登录
|
免费注册
快易购首页
|
技术文库
|
行业动态
|
数据上传
|
创客窝
网站导航
|
联系客服
|
应用与设计
应用与设计
请输入需要搜索的应用
Circuit Collections
DDR 存储器电源:5VIN,1.25V/±6A VTT (采用 2.5V 外部基准)
Analog
下载资料
详情介绍
数据手册
1
查看全部
概览
产品详情
产品详情
<img src='http://www.analog.com/-/media/analog/en/circuit-collections-images/ltc/495-circuit-1.jpg?la=en&w=435' alt='Temperature to Bits'>
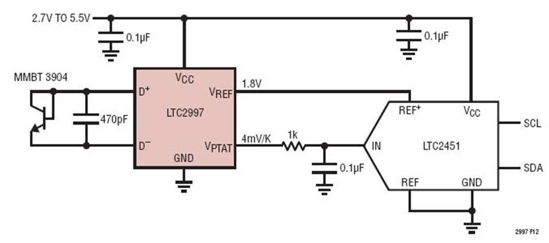
LTC2997 是一款高准确度模拟输出温度传感器。该器件可将一个外部传感器的温度或其自身的温度转换为一个模拟电压输出。一种内置算法能够消除 LTC2997 与传感器二极管之间的串联电阻所引起的误差。
相关分类
MEMS
温度传感器和控制器件
相关产品
LTC2997
文档
查看全部 (1)
数据手册 (1)
数据手册
(1)
PDF
181.00K
LTC2997: Remote/Internal Temperature Sensor Data Sheet
相关型号
相关型号
制造商
描述
LTC3831
Analog
用于 DDR 存储器终端的高功率同步开关稳压控制器
ltc3831-1
Analog
用于 DDR 存储器终端的高功率同步开关稳压控制器