LT1615 单节电池至 3.3V 升压型转换器
详情介绍
概览
产品详情
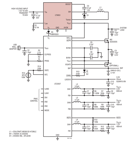
LT3653 是一款具可编程输出电流限制功能的单片式、电流模式 PWM 降压型稳压器。该器件通常与电池充电器电源通路控制器一起使用,以对输出进行预调节,并优化电池充电器效率。输出电流限制功能提供了对系统功耗的准确控制。
7.5V 至 30V 的宽工作输入电压范围使得 LT3653 适合于多种输入电源,包括未调整的 12V 墙上适配器、24V 工业电源、FireWire 和汽车电源。输入过压保护功能使 LT3653 能够处理 60V 的输入瞬态电压。
LT3653 的控制引脚 VC 可用于外部电池跟踪控制 (Bat-Track)。在输入开路或短路期间,LT3653 将阻止输出放电。
HVOK 引脚用于指示内部偏置电源接入,而且未发生故障 (即:过热以及输入过压和欠压)。LT3653 包括一个 1.5MHz 频率振荡器、内部补偿电路和一个内部升压二极管,旨在最大限度地减少外部元件的数目。LT3653 采用具有裸露衬垫的 8 引脚 (2mm x 3mm) DFN 封装,以实现低热阻。


