LT3796 具 RWIRE 补偿和输出电流限制的 SEPIC 转换器
详情介绍
概览
产品详情
The TR4 Development Kit provides the ideal hardware platform for system designs that demand high-performance, serial connectivity, and advanced memory interfacing. The TR4 is powered by the Stratix IV GX device and supported by industry-standard peripherals, connectors and interfaces that offer a rich set of features that is suitable for a wide range of compute-intensive applications. For large-scale ASIC prototype development, multiple TR4s can be stacked together to create an easily-customizable multi-FPGA system.
TR4 Stratix IV Dev Kit
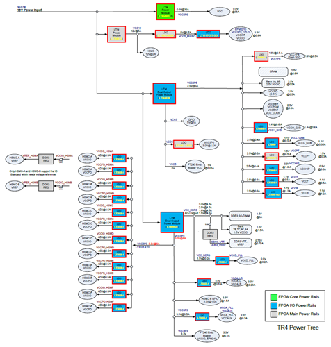
TR4 Stratix IV Power Tree
Linear Technology Components
LTM4601 12 A μModule regulator with PLL, output tracking and Margining.
LTM4612 Ultralow-noise, 36 VIN, 15 VOUT, 5 A, DC/DC μModule regulator.
LT1963 1.5 A, low-noise, fast transient response LDO regulator.
LT1117 800 mA low dropout positive regulators adjustable and fixed 2.85 V, 3.3 V, 5 V.
LT3080-1 Parallelable 1.1A Adjustable Single Resistor Low Dropout Regulator.
LTM4628 Dual 8 A/Single 16 A DC/DC μModule.
LTC3025-1 500mA Micropower VLDO Linear Regulator.
TR4 Stratix IV Block Diagram








