应用与设计

LTC3026 采用单个升压型转换器驱动多个线性稳压器

详情介绍

概览

产品详情

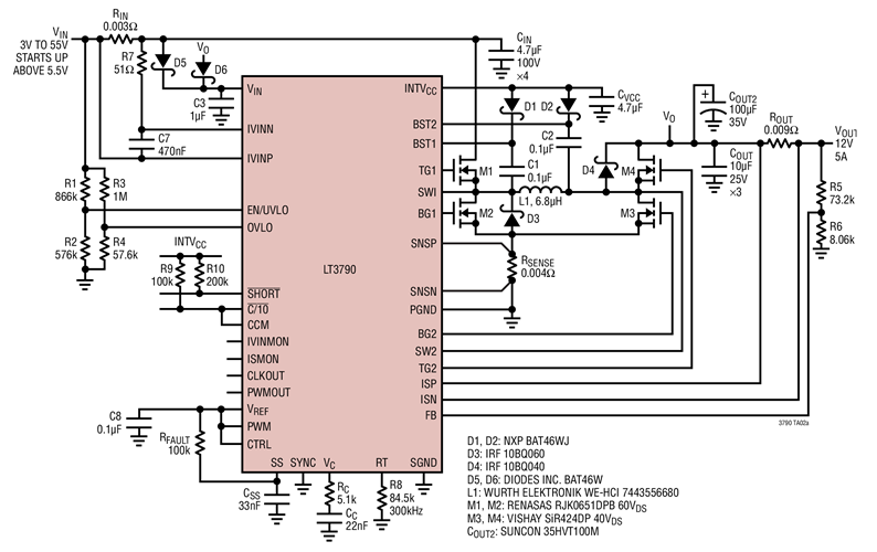
98% Efficient 60W (12V 5A) Voltage Regulator Runs Down to 3V VIN

LT3790 是一款同步、四开关降压-升压型电压 / 电流调节器控制器。LT3790 能够在输入电压高于、低于或等于输出电压的情况下调节输出电压、输出电流或输入电流。恒定频率、电流模式架构允许对其频率进行调节或在 200kHz 至 700kHz 的范围内实施同步。在降压或升压操作中,无需上管 FET 刷新开关周期。凭借 60V 输入、60V 输出能力以及工作区之间的无缝转换,LT3790 非常适合于汽车、工业、电信、甚至电池供电型系统中的电压调节器、电池 / 超级电容器充电器应用。