应用与设计

LT1308A 5V 至 12V 升压型转换器

详情介绍

概览

产品详情

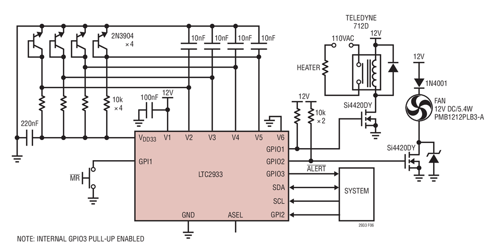
Low Cost Multipoint Temperature Control System

LTC2933是一款可采用 EEPROM 进行配置的电压监控器,其能够同时监察多达 6 个电源电压输入。每个电压检测器提供了各种不同范围和增量的可编程过压 / 欠压门限。