±250V 共模范围差分放大器 (AV = 1)
详情介绍
概览
产品详情
LT®6110是一款具有一个电流模式输出的精准型高端电流检测器件,专为控制一个可调电源或电压调节器的输出电压而设计。其可用于补偿由于导线、印制线或电缆中的电阻之原因而在一个远端负载上引起的电压降。LT6110 可通过一个串接式内部或外部检测电阻器来监视负载电流。提供了两个与负载电流成比例的电流模式输出 (一个吸收电流,一个供应电流)。这使得 LT6110 能够调节多种稳压器的输出电压。可采用任一输出来监视负载电流。低 DC 失调允许使用一个小的检测电阻器,并可对导线电压降之中的小幅变化实施高精度控制。
 
 
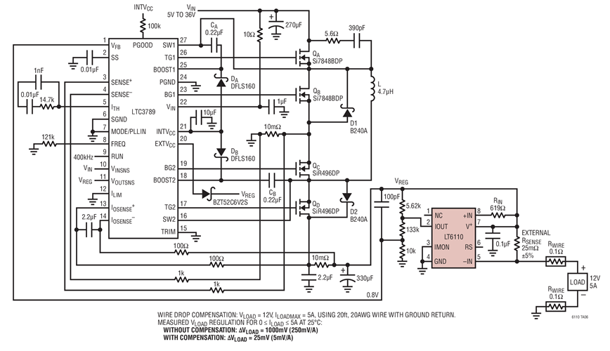
          采用外部 RSENSE 和 LTC3789 降压-升压型稳压器的 LT6110 (在 12V)



