登录
|
免费注册
快易购首页
|
技术文库
|
行业动态
|
数据上传
|
创客窝
网站导航
|
联系客服
|
应用与设计
应用与设计
请输入需要搜索的应用
Circuit Collections
导线压降补偿电路 (假如 LT6110 的 V+ 低于 2V)
Analog
下载资料
详情介绍
数据手册
1
查看全部
概览
产品详情
产品详情
<img src='http://www.analog.com/-/media/analog/en/circuit-collections-images/ltc/528-circuit-1.jpg?la=en&w=435' alt='VFD (Vacuum Fluorescent Display) Flyback Power Supply'>
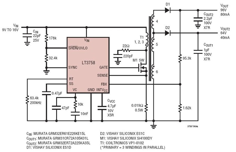
LT3758 是一款宽输入电压范围、电流模式、DC/DC 控制器,该器件能够产生正输出电压或负输出电压。它可以被配置为一个升压、反激式、SEPIC 或负输出转换器。LT3758 从一个内部 7.2V 稳压电源来驱动一个低端外部 N 沟道功率 MOSFET。固定频率、电流模式架构在一个很宽的电源电压和输出电压范围内实现了稳定的操作。
相关分类
电源管理
反激式、正激式和隔离式控制器
相关产品
LT3758
文档
查看全部 (1)
数据手册 (1)
数据手册
(1)
PDF
841.00K
LT3758: High Input Voltage, Boost, Flyback, SEPIC and Inverting Controller Data Sheet
相关型号
相关型号
制造商
描述
LT6110
Analog
电缆 / 导线压降补偿器
LTM4600HV
Analog
10A、28VIN 高效率 DC/DC μModule
LT1617
Analog
采用 SOT-23 封装的微功率负输出 DC/DC 转换器