登录
|
免费注册
快易购首页
|
技术文库
|
行业动态
|
数据上传
|
创客窝
网站导航
|
联系客服
|
应用与设计
应用与设计
请输入需要搜索的应用
Circuit Collections
LT8610A 3.3V 2MHz 降压型转换器
Analog
下载资料
详情介绍
概览
产品详情
产品详情
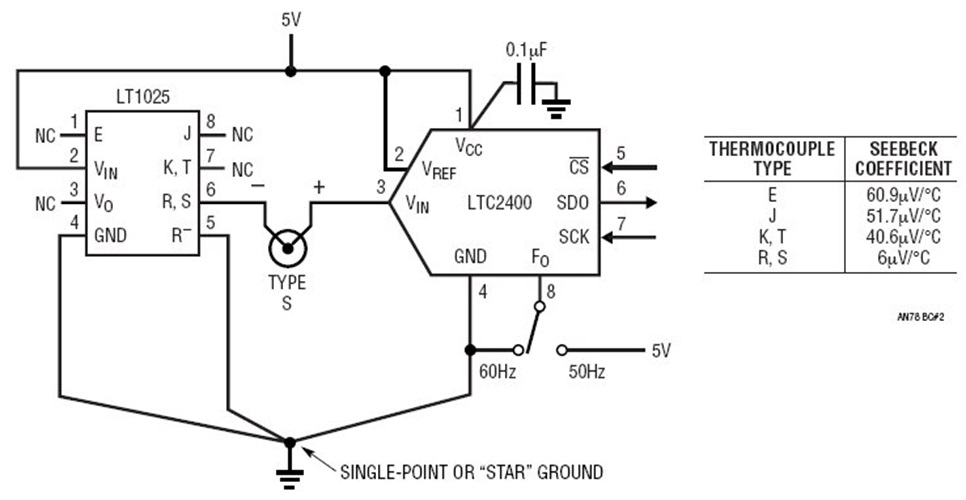
<img src='http://www.analog.com/-/media/analog/en/circuit-collections-images/ltc/277-circuit-1.jpg?la=en&w=435' alt='High Resolution Type S Thermocouple Digitizer with Improved Cold Junction Compensation'>
这款简单的接口电路显示了采用低输出电压热电偶来实现热电偶至 LTC2400 的直接连接的实用性 (如图所示,一个 Type S 热电偶可产生 18mV 的全标度输出电压)。该电路采用 LT1025 (一款微功率热电偶冷结点补偿器) 来检测冷结点的温度并引入一个失调电压。该失调电压与由热电偶电缆 / PC 板终端所产生的电压数值相等但极性相反。此电路可轻松地适用于其他类型的热电偶 —— 只需更换热电偶 (请注意导线的极性!) 并连接至 LT1025 上最合适的输出即可。为了尽量避免将任何额外的误差引入测量,LT1025 必须安装在冷结点处,而且至 LT1025、热电偶和 LTC2400 的连接线必须是等温的。由于 LTC2400 的噪声层的原因,在不求平均的情况下,该电路能够实现 0.25°C 以内的温度分辨率。因为 LTC2400 未呈现容易察觉的量化效应,所以对多个读数进行平均处理能够显著地扩展缓慢变化过程的分辨率。
相关分类
模数转换器
精密ADC (≤ 10MSPS)
相关产品
ltc2400
LT1025
文档
查看全部 (1)
应用笔记 (1)
应用笔记
(1)
PDF
173.00K
AN78 - A Collection of Differential to Single-Ended Signal Conditioning Circuits for Use with the LTC2400, a 24-Bit No Latency Delta Sigma ADC in an SO-8
相关型号
相关型号
制造商
描述
LT8610A
Analog
具 2.5μA 静态电流的 42V、3.5A 同步降压型稳压器