登录
|
免费注册
快易购首页
|
技术文库
|
行业动态
|
数据上传
|
创客窝
网站导航
|
联系客服
|
应用与设计
应用与设计
请输入需要搜索的应用
Circuit Collections
LT3971A: 具欠压闭锁、软起动和电源良好指示功能的 3.3V 降压型转换器
Analog
下载资料
详情介绍
数据手册
1
查看全部
概览
产品详情
产品详情
<img src='http://www.analog.com/-/media/analog/en/circuit-collections-images/ltc/304-circuit-1.jpg?la=en&w=435' alt='Full-Bridge Amplification Using Autozero Amplifiers to Reduce Input Referred Noise'>
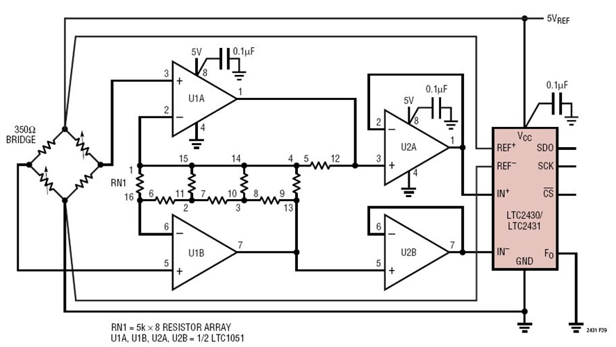
本电路给出了一款简单的放大方案实例。该实例电路可产生一个具 2.5V 共模电压的差分输出 (由电桥决定)。由于 LTC2430 / LTC2431 具有远远超过大多数放大器的共模抑制能力,因此没有必要使用真正的三运放仪表放大器。LTC1051 是一款双通道自动置零放大器,可在其输入参考噪声支配 LTC2430 / LTC2431 的噪声之前产生一个数值为 10 的增益。本实例电路产生的增益为 34,这是由一个反馈网络 (采用一个包含 8 个单独电阻器的电阻器阵列构成) 所决定的。对这些电阻器进行适当的编排以在存在热梯度的情况下优化温度跟踪。第二个 LTC1051 用于把低噪声输入级与转换期间产生的瞬态负载阶跃隔离开来。
相关分类
模数转换器
精密ADC (≤ 10MSPS)
相关产品
ltc2430
ltc2431
文档
查看全部 (1)
数据手册 (1)
数据手册
(1)
PDF
454.00K
LTC2430/LTC2431: 20-Bit No Latency Delta Sigma ADCs with Differential Input and Differential Reference Data Sheet
相关型号
相关型号
制造商
描述
LT3971A
Analog
具 2.2μA 静态电流的 38V、1.3A、2MHz 降压型稳压器