LT3478 15W、6 LED (在 700mA)、升压型 LED 驱动器
详情介绍
概览
产品详情
 
 
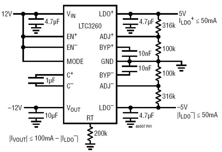
          运作诸如运放、驱动器或传感器等电子器件通常需要双极性电源,但是在负载点却很少有可用的双极性电源。LTC®3260 是一款具有双低噪声 LDO 稳压器的负输出充电泵 (无电感) DC/DC 转换器,其能够采用单个宽输入 (4.5V 至 32V) 电源产生正电源和负电源。该器件可在高效率突发模式 (Burst Mode®) 操作和低噪声恒定频率模式之间切换,从而使其深受便携式应用及对噪声敏感之应用的欢迎。LTC3260 采用扁平 3mm x 4mm DFN 封装或耐热性能增强型 16 引脚 MSOP 封装,可实现外部组件极少的紧凑型解决方案。上图示出了一种采用 LTC3260 的典型 12V 至±5V 应用。
 
 
          工具及仿真模型
LTspice
LTspice® is a powerful, fast and free simulation software, schematic capture and waveform viewer with enhancements and models for improving the simulation of analog circuits.
To launch ready-to-run LTspice demonstration circuits for this part:
Step 1: Download and install LTspice on your computer.
Step 2: Click on the link in the section below to download a demonstration circuit.
Step 3: If LTspice does not automatically open after clicking the link below, you can instead run the simulation by right clicking on the link and selecting “Save Target As.” After saving the file to your computer, start LTspice and open the demonstration circuit by selecting ‘Open’ from the ‘File’ menu.
 
 
     




 
 
            