应用与设计

LT3922 2MHz、95% 高效 15W (15V、1A) 降压模式 LED 驱动器

详情介绍

概览

产品详情

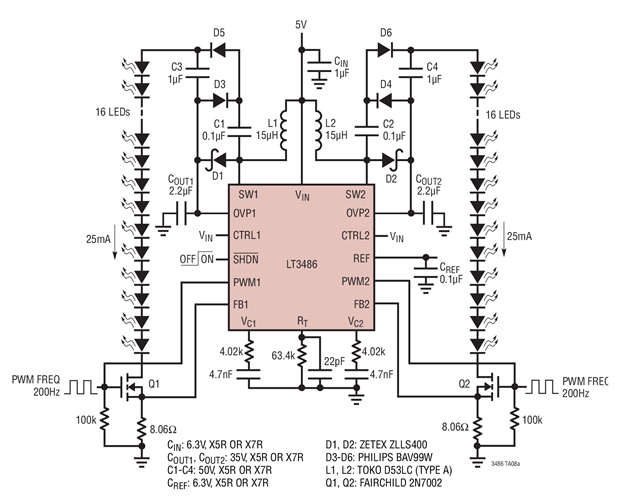
5V to 16/16 White LEDs

LT3486 是一款双通道升压型 DC/DC 转换器,专为从单节锂离子电池以恒定电流来驱动多达 16 个白光 LED 而设计 (每个转换器驱动 8 个串联的白光 LED)。LED 的串联连接提供了相等的 LED 电流,从而产生均匀的亮度。两个独立的转换器能够驱动不对称的 LED 串。