应用与设计

LT8330 3V 至 6V 输入、48V 升压型转换器

详情介绍

概览

产品详情

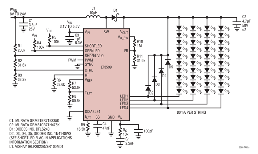
12W LED Driver 1MHz Boost, 80mA per String, 10 LEDs per String

LT3599 是一款固定频率、2A 升压型 DC/DC 转换器,专为以一个高达 44V 的输出电压来驱动 4 串 120mA LED 而设计。开关频率可以利用一个外部电阻器设置在 200kHz 至 2.1MHz 范围。