产品详情
 
          
          
           
           
 
           
            
           
          
          
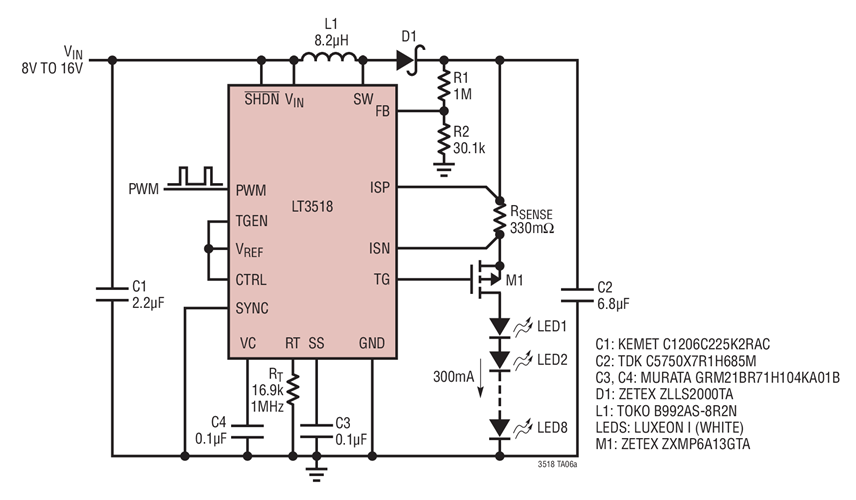
         LT3518 是一个具有内部 2.3A、45V 开关的电流模式 DC/DC 转换器,专为驱动 LED 而设计。LT3518 起了一个 LED 驱动器的作用,可在升压、降压和降压-升压模式中运作。它组合了一个传统的电压环路和一个独特的电流环路,以充当一个恒定电流源或恒定电压源。可编程开关频率允许针对效率或元件尺寸要求来优化外部元件。能够使 LT3518 的开关频率与一个外部时钟信号同步。可利用一个 100mV 检测电阻器从外部设置 LED 电流。外部 PWM 输入提供了 3000 : 1 LED 调光能力。CTRL 引脚可提供另外的 10 : 1 调光比。