应用与设计

LT3065 LED 驱动器 / 电流源

详情介绍

概览

产品详情

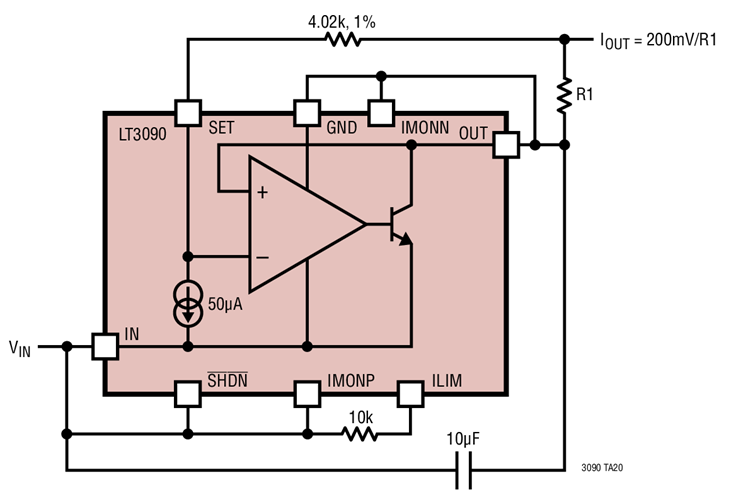
Two-Terminal Current Source

LT3090 是一款 600mA、低压差负线性稳压器,其可容易地通过并联增加输出电流或在表面贴装型电路板上传播热量。该稳压器的设计在一个高精度的电流基准之后安放了一个高性能的轨至轨电压缓冲器,因而可在那些要求精准输出、高电流 (无散热器)、至零的输出可调节能力和低压差电压的应用中使用。此外,此器件还可配置为一个三端浮动稳压器。